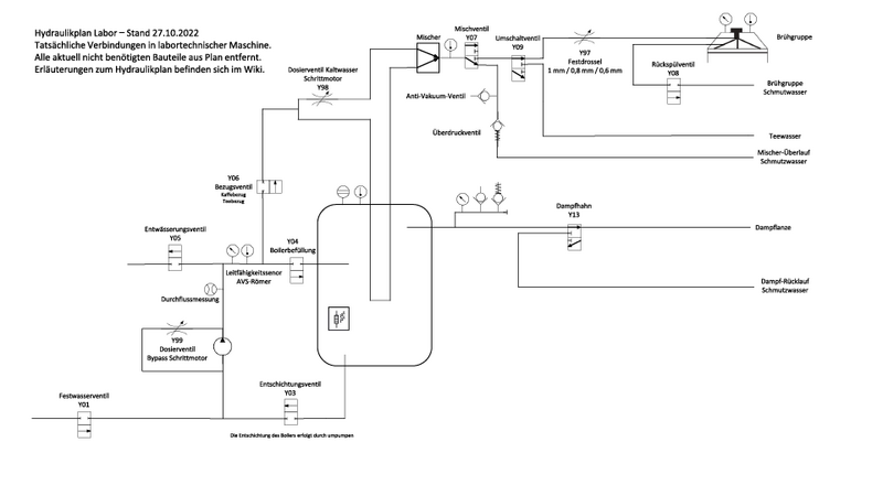
Datei:20221103 Realer Hydraulikplan.png
Zur Navigation springen
Zur Suche springen
Größe dieser Vorschau: 800 × 450 Pixel. Weitere Auflösung: 960 × 540 Pixel.
Originaldatei (960 × 540 Pixel, Dateigröße: 52 KB, MIME-Typ: image/png)
Abbildung1) Realer hydraulikplan labortechnische Espressomaschine, Stand 18.12.2023
Dateiversionen
Klicke auf einen Zeitpunkt, um diese Version zu laden.
| Version vom | Vorschaubild | Maße | Benutzer | Kommentar | |
|---|---|---|---|---|---|
| aktuell | 17:25, 27. Apr. 2023 | 960 × 540 (52 KB) | Armin Rohnen (Diskussion | Beiträge) |
Du kannst diese Datei nicht überschreiben.
Dateiverwendung
Die folgende Seite verwendet diese Datei: